长波红外镜头
L62510M-17
L62510M-17波段8-12μm,光圈F1.0,分辨率640x480,17μm
  • 产品特点
  • 技术参数
产品特点

L62510M-17  长波红外镜头8-12μm

技术参数

型号

L62510M-17

焦距

25mm

光圈值

F1.0

透过率

88%

波段

8-14μm

探测器

640×480;17μm

视场角(水平~垂直)

25°x18.5°

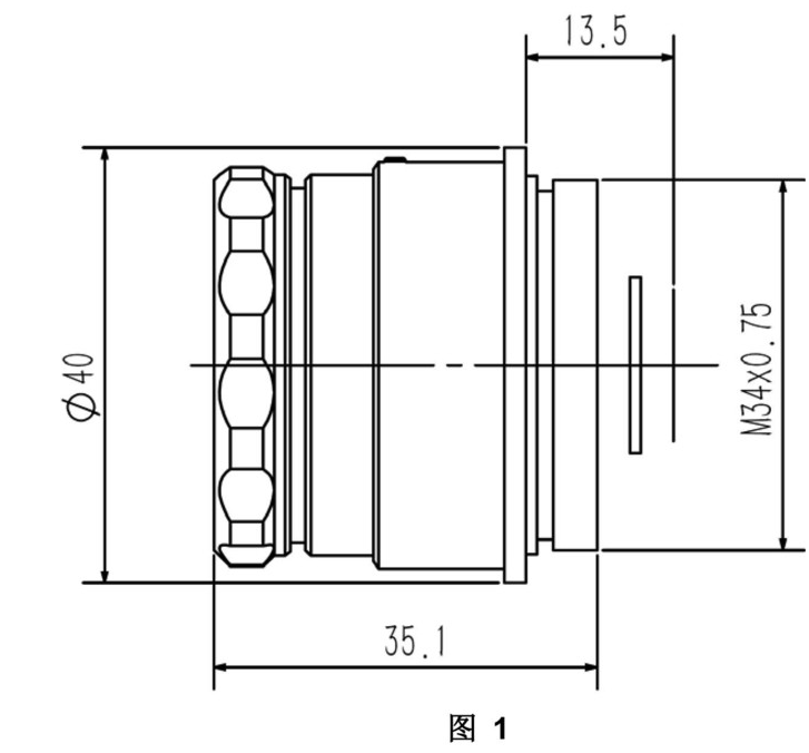
外形尺寸

φ39×31mm

重量

90g


image.png