长波红外镜头
L63510M
L63510M波段8-12μm,光圈F1.0;
  • 产品特点
  • 技术参数
产品特点

L63510M  长波红外镜头8-12μm

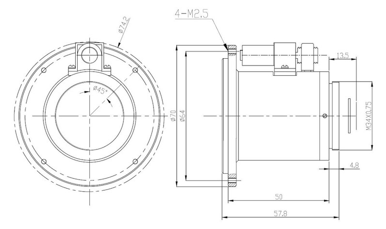
技术参数

型号

L63510M

焦距

35mm

光圈值

F1.0

波段

8-12μm

探测器

640×480;17μm

视场角(水平~垂直)

-

外形尺寸

φ70×57.8mm

重量

173g


image.png