长波红外镜头
L610012M-17
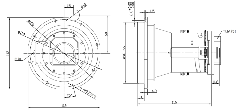
L610012M-17波段8-12μm,光圈F1.2,分辨率640x480,17μm;
  • 产品特点
  • 技术参数
产品特点

L610012M-17   长波红外镜头8-12μm

技术参数

型号

L610012M-17

焦距

100mm

光圈值

F1.2

透过率

85%

波段

8-12μm

探测器

640×480;17μm

视场角

6.2°×4.7°

外形尺寸

φ114×116mm

重量

595g


1673663261213752.png